Toggle Navigation
首 頁
關于我們
企業簡介
歷史沿革
公司環境
重要客戶
企業動態
產品展示
塑封型貼片Y電容
引腳型陶瓷電容
超高壓陶瓷電容
壓敏電阻
安規陶瓷電容芯片
陶瓷粉料
資質認證
體系認證
安規認證
社會榮譽
聯系我們
聯系方式
銷售網絡
人才招聘
中文
|
English
中文
English
產品展示
首頁
塑封型貼片Y電容
引腳型陶瓷電容
超高壓陶瓷電容
壓敏電阻
安規陶瓷電容芯片
陶瓷粉料
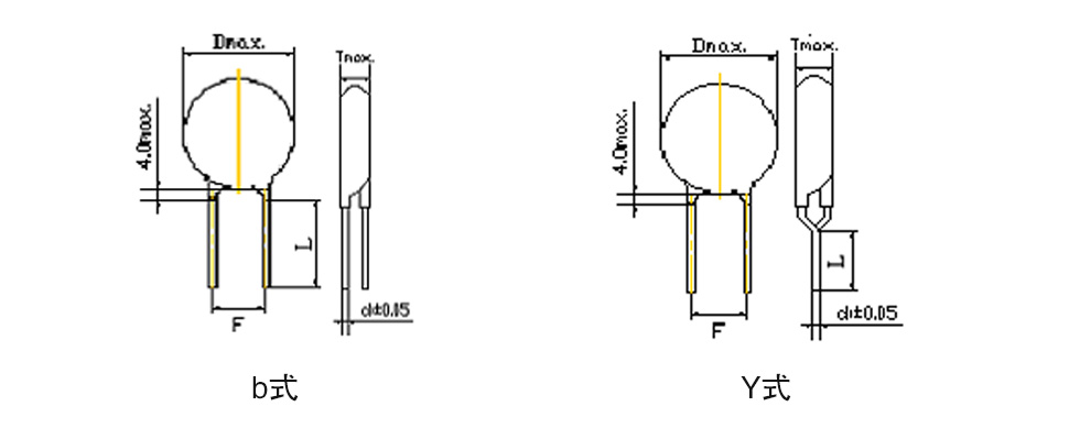
插腳式壓敏電阻器
特點
- 5D,7D,10D,14D系列
- 壓敏電壓240V~1800Vdc
- 可提供普通型和高能型產品
應用領域
- 廣泛應用于半導體元件、鐵路信號通信、通訊中轉站、低壓配電盤等各種電氣設備的浪涌吸收和防雷保護
壓敏規格書
制服丝袜